设备用BC系列断路器
1 适用范围与用途
BC 系列设备用断路器适用于额定电流 AC 0.5-100A 和 DC 0.5-400A,交流 50/60Hz,额定电压 AC 277/480V和直流 DC 80V 及 DC125V 及以下的电气系统中作线路的过载、短路保护,亦可作不频繁的接通和分断之用。广泛应用于计算机及其外围设备、工业自动化装置、电讯设备、通信电源等系统和 UPS 设备、铁路机车、船用电气系统、电梯控制系统及移动电源设备中。
2 主要技术参数
2.1符合标准: IEC60947、GB14048.2、UL1077、UL489A、UL489
2.2额定工作电压:DC80V、DC125V、AC120/240V、AC240V、AC277/480YV
2.3机械电气寿命:10000次(其中电气寿命6000次),UL489A电气寿命1000次
2.4工频耐压:主电路3000V,辅助电路1000V
2.5产品认证:CCC、CE、TUV、UL1077、UL489A、UL489
2.6辅助触头参数:AC250V 5A
2.7 额定分断能力

2.8 电阻、阻抗

3 正常工作环境
3.1海拔:≤2000m
3.2 工作温度:-40℃~+85℃
3.3空气相对湿度:≤95%
3.4在无爆炸危险的介质中,且介质无足以腐蚀金属和破坏绝缘的气体与导电尘埃的地方
3.5在没有雨雪侵袭的地方
4 特性曲线
4.1 脱扣时间表(时间单位:s)



5 规格型号说明

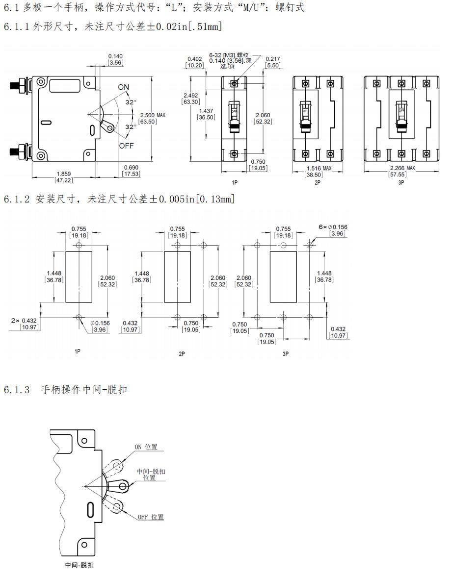
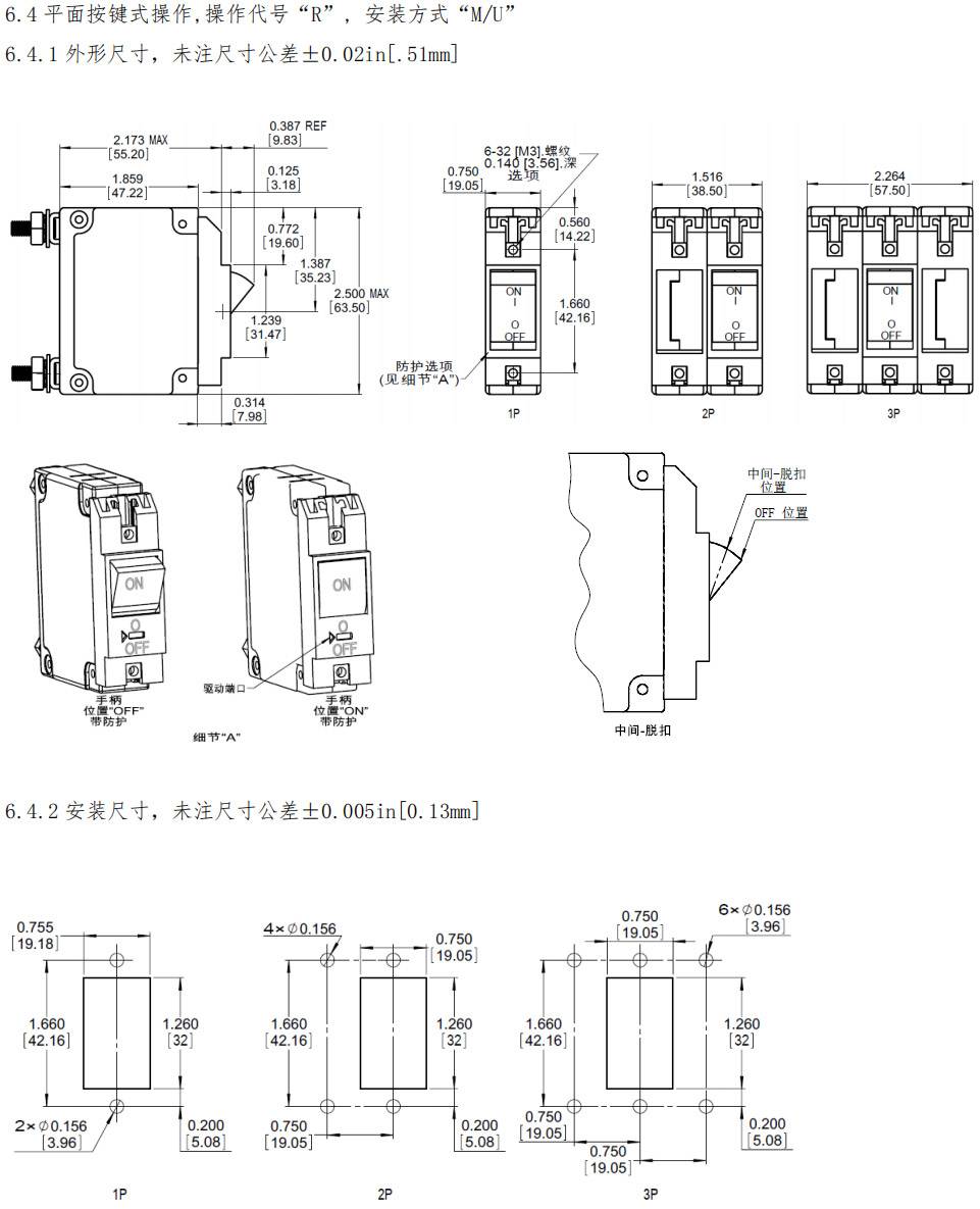
6.外形尺寸及安装尺寸





6.6 并联产品,操作方式代号为“S”极数2~4极;操作方式代号为“L/Y/R”极数2~3极;安装方式为“M/U”,端子接线代号为“S/K/U/N”
6.6.1 外形尺寸,未注尺寸公差±0.02in[.51mm]

7.辅助开关及报警辅助开关

注 1:此位置尺寸到安装面板。
8. 接线端子尺寸图,未注公差尺寸 ±0.031in[0.8mm]

注:各螺纹尺寸施加的力矩如下表:
| 螺纹标称直径(mm) | 施加力矩(N.m) |
| M3(6-32)安装螺母 | 0.5 |
| M6(1/4-20)螺栓 | 3 |
| M5(10-32)螺栓 | 2 |
| M5(10-32)螺钉 | 2 |
| 并联产品M6螺栓 | 5 |
9 包装储存
包装成箱的产品,应贮存在空气流通和相对湿度不大于80%,温度不高于+65 ℃,不低于-45℃的仓库中;周围空气中无酸性,碱性或其它腐蚀气体的库房里贮存。在上述条件下,贮存期自生产日不超过3年
10 注意事项
10 .1 因私自拆开产品而引起的质量问题,责任自负;
10 .2 在工作通电状态下,手请勿触及断路器非绝缘件裸露部分;
10 .3 接线必须可靠,防止因接线端出现异常发热引起断路器误动作或造成烧损;
10 .4 在产品安装时,请在产品喷弧口(LINE侧)方向保持45mm以上的距离,以免电弧喷出后造成短路
10 .5 产品安装时,产品与垂直面的夹角不能大于5°,以免影响产品特性
10 .6 产品上安装螺母规格为M3×5或 6-32UNC,安装时的扭紧力矩为0.5N.m。
10 .7 对于多极多手柄操作的产品应该在中间位置操作手柄,且在正常分-合产品时其时间应小于1s 。
汉语
英语
西班牙语
俄语
法语
阿拉伯语
电子邮箱
PDF 下载