直流接触器BZJ-A(D)常闭系列 BZJ-600A
■ 性能参数
| 型号 | BZJ-600A/□ |
| 触点形式 | 1D (SPST-NC) |
| 触点材料 | 银合金 |
| 触点负载 (阻性负载 ) | 600A×48V DC(DC-1) |
| 接触压降 | ≤80mV@600A |
| 绝缘电阻 | Min.100MΩ at 500VDC |
| 介质耐压(相互绝缘的导电部分) | 1000 VAC 50HZ/60HZ (1 minute)漏电流小于 1mA |
| 吸合时间 | Max.30mSec. |
| 释放时间 | Max.30mSec. |
| 使用环境温度 | -25℃ ~ 60℃ |
| 存储温度 | -40℃~+ 65℃ |
| 相对湿度 | 20% ~90% RH |
| 固定处的振动 | (10 ~200)HZ 、加速度≤3.5g |
| 冲击 | (60 ~100)次/分、加速度≤ 4g |
| 机械寿命 | 100,000 次 (不带载 ) |
| 电气寿命 | 6,000 次 (在额定负载下) |
| 微动开关 | 5A/24VDC; 2A/48VDC |
| 辅助触点最小负载 | 100mA/5V |
| 污染等级 | III |
| 工作制式 | 连续工作制 |
■ 线圈参数
| 型号 | 线圈电压 (V) | 线圈工作电压 (V) | 吸合电压 (V) | 释放电压 (V) | 启动电流 (A) | 保持电流 (A) |
| BZJ-600A | 12 | 0.85Us~1.1Us | ≤70% | ≥10% | ≤23 | ≤2.5 |
| 24 | ≤11 | ≤0.5 | ||||
| 48 | ≤6 | ≤0.2 | ||||
| 60 | ≤3 | ≤0.2 |
■ 产品型号释义
例:BZJ-600A/48;表示:常闭直流接触器,DC-1 负载下额定电流为600A,线圈电压DC48V 。
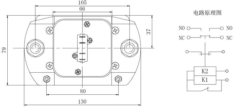
■ 外形安装尺寸及电路原理图
BZJ-600A/□
注:
1.常规产品的主回路接线螺钉为M12*25;如需更换为M12*30 的主回路接线时请在产品型号后加“(L)”如:BZJ-600A/48(L)表示为长螺栓产品。
2.括号内附加的产品型号不在铭牌上显示。
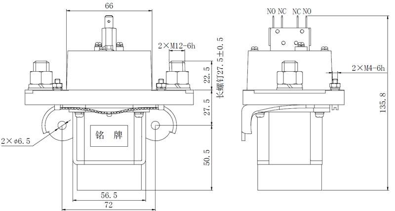
BZJ-600A/□.S
| 尺寸(mm) | 未注尺寸公差(mm) |
| 0~30 | ±0.3 |
| 30~60 | ±0.5 |
| 60~100 | ±1 |
| 大于100 | ±2 |
注:
1.常规产品的主回路接线螺钉为M12*25;如需更换为M12*30 的主回路接线时请在产品型号后加“(L)”如:BZJ-600A/48.S(L)表示为长螺栓产品。
2.括号内附加产品型号不在铭牌上显示。
■ 注意事项
1. 安装接触器时主回路接线螺钉螺母拧紧扭矩15~20N.m;控制回路接线螺钉螺母拧紧扭距1~1.5N.m。
2. 产品线圈的驱动电路功率必须大于等于产品线圈功率,否则会降低产品的切断能力。
3. 对线圈连续施加的电压不能超过最大容许电压。否则,线圈异常发热会缩短绝缘图层的寿命。
4. 本接触器非防水结构,请勿在水、溶剂、和油可能接触到外壳或端子的环境中使用。否则可能因外壳老化或端子腐蚀、污浊而引起异常发热。
汉语
英语
西班牙语
俄语
法语
阿拉伯语
电子邮箱
PDF 下载