主要特征
·10A触点切换能力,小巧的体积;
·具有一组桥式常开触点,触点回路无极性;
·采用陶瓷钎焊技术,触头部分密封充有氢气,
触头不会氧化,能快速切断在直流高压;
·应用范围:储能系统、电动汽车、光伏逆变器、
电信通信设备、AGV系统、太阳能系统,工程机械、
电瓶车、充电桩、火车、船舶、
绞盘、不间断电源电控系统;
性能参数
| 触点参数 | 触点形式 | 1H(SPST-NO) | |||
| 额定负载电流 | 10A 450VDC(4.5KW) | ||||
| 最小适用负载(阻性负载) | 1A/12VDC | ||||
| 最大切换电压 | 1000VDC | ||||
| 接触压降(初始) | ≤80mV@10A | ||||
| 载流能力(a) | 10A :持续 | ||||
| 15A:60min | |||||
| 20A:20min | |||||
| 40A:30s | |||||
| 100A:0.6s | |||||
| 电气性能 | 绝缘电阻 | 100MΩ以上(500VDC) | |||
| 介质耐压 | 断开触点间 | 3000VAC 1min | |||
| 触点与线圈间 | 4000VAC 1min | ||||
| 动作时间(20℃额定电压下) | ≤30ms (不含回跳时间) | ||||
| 释放时间(20℃额定电压下) | ≤10ms | ||||
| 回跳时间(20℃额定电压下) | ≤5ms | ||||
| 耐冲击 | 稳定性 | 正弦半波脉冲:11ms | ON 时: 196m/s²(20G 以上) | ||
| 检测时间:10μs | OFF 时:98 m/s²(10G 以上) | ||||
| 强度 | 正弦半波脉冲:6ms | 590 m/s²(50G 以上) | |||
| 耐振动 | 10Hz~500Hz 49 m/s²(5G 以上) | ||||
| 寿命 | 电气寿命(b) | 200A 450VDC | 100000 次以上 | ||
| 200A 750VDC | 100000 次以上 | ||||
| 机械寿命 | 20 万次以上 | ||||
| 使用条件 | 使用环境、运输、存储环境 | 温度-40℃~+85℃ | |||
| 湿度 5%~85%RH(无结冰、凝露) | |||||
| 产品安装方式 | 任意 | ||||
| 重量 | 160g | ||||
注:(a):在环境温度下,导线截面积≥2.5mm²下测得
(b):除特别说明外,电气寿命通断比为 1s:9s
线圈额定参数(20℃)
| 线圈额定 电压 | 动作电压 | 释放电压 | 最大工作电 压 | 额定电流(±10%) | 额定线圈功耗 |
| 12V DC | ≤9V DC | ≥1V DC | 16V DC | 0.25A | 3W |
| 24V DC | ≤18V DC | ≥2V DC | 32V DC | 0.125A | 3W |
产品型号释义

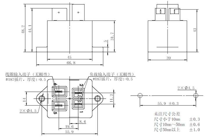
外形尺寸图、接线图




线圈和负载均无性
参考曲线图


注:以上数据在环境温度为 85℃,导线截面积≥2.5mm²条件下测得。数据仅作参考,请勿直接用于选择熔断器


注:以上数据为随机抽取线圈电压为 12VDC 产品测得,数据仅供参考(试验品数量:n=3)
注意事项
1、本接触器为直流高压开闭装置,在最终故障状态下,有可能出现不通断的情况,一旦发生不能 切断,可能导致异常发热现象及烟雾,火灾等事故。因此,请避免规格以上的操作使用(包括但 不限于线圈额定,负载额定以及电气寿命等);应采用在紧急情况下可及时切断电流负载的电路; 为确保安全,应定期更换部件。
2、触点额定值均为阻性负载时的数值。使用L/R≥1ms的感性负载(L负载)的情况下,请与感 性负载并行采取浪涌吸收措施。未采取措施的情况下,可能会造成电气寿命下降、发生切断不良。
3、为抑制接触器线圈的反向电动势,建议加装吸收浪涌的非线性电阻(推荐使用可变电阻),若 使用二极管,会使接触器切断性能下降。
4、严禁将接触器长时间置于超过产品使用温度范围(-40℃~+85℃)的环境中。
5、请避免在强磁界(变压器、磁铁的周围)和发热物体的附近安装。
6、为防止出现松动,接触器安装时请正确使用垫圈。接触器安装处请使用M4螺钉,螺钉锁紧扭 矩请控制在2N.m~3N.m;继电器引出脚允许的插拔力为(1)负载引出脚:49N;(2)线圈引出脚: 49N。在超过范围的情况下,可能会造成破损。
7、请避免在引出端上粘附油脂等异物,请使用2.5mm²以上规格的连接导线,否则有可能会造成
引出端部分的异常发热。
8、对连接器端进行连接时,请使用指定配合的连接器。
9、在接触器坠落的情况下,原则上请不要再使用。
汉语
英语
西班牙语
俄语
法语
阿拉伯语
电子邮箱
PDF 下载