主要特征
·150A 触点切换能力,小巧的体积;
·具有一组桥式常开触点,触点回路有“+”、“-”极性;
·采用陶瓷钎焊技术,触头部分密封充有氢气, 触头不会氧化,能快速切断在直流高压;
·应用范围:储能系统、电动汽车、光伏逆变器、电信通信设备、AGV系统、太阳能系统,工程机械、 电瓶车、充电桩、火车、船舶、 绞盘、不间断电源电控系统;
性能参数
| 触点参数 | 触点形式 | 1H(SPST-NO) | |||
| 额定负载电流 | 150A | ||||
| 最小适用负载(阻性负载) | 1A/12VDC | ||||
| 最大切断电流 | 1500A(300VDC)1 次 | ||||
| 最大切换电压 | 1500V | ||||
| 接触压降(初始) | ≤60mV@150A | ||||
| 载流能力(a) | 150A: 持续 | ||||
| 180A:2h | |||||
| 300A:10min | |||||
| 600A: 2min | |||||
| 900A: 30s | |||||
| 绝缘电阻 | 100MΩ以上(1000VDC) | ||||
| 电气性能 | 介质耐压 | 断开触点间 | 3000VAC 1min | ||
| 触点与线圈间 | 4000VAC 1min | ||||
| 动作时间(20℃额定电压下) | ≤30ms (不含回跳时间) | ||||
| 释放时间(20℃额定电压下) | ≤10ms | ||||
| 回跳时间(20℃额定电压下) | ≤5ms | ||||
| 耐冲击 | 稳定性 | 正弦半波脉冲:11ms | ON 时: 196m/s²(20G 以上) | ||
| 检测时间:10μs | OFF 时:98 m/s²(10G 以上) | ||||
| 强度 | 正弦半波脉冲:6ms | 590 m/s²(50G 以上) | |||
| 耐振动 | 10Hz~500Hz 49 m/s²(5G 以上) | ||||
| 寿命 | 电气寿命(b) | 150A 450VDC | 6000 次以上 | ||
| 150A 750VDC | 1000 次以上 | ||||
| 机械寿命 | 20 万次以上 | ||||
| 使用条件 | 使用环境、运输、存储环境 | 温度-40℃~+85℃ | |||
| 湿度 5%~85%RH(无结冰、凝露) | |||||
| 产品安装方式 | 任意 | ||||
| 重量 | 450g | ||||
注:(a):在环境温度下,导线截面积≥50mm²下测得
(b):除特别说明外,电气寿命通断比为 1s:9s
线圈额定参数(20℃)
| 线圈额定 电压 | 动作电压 | 释放电压 | 最大工作电 压 | 额定电流(±10%) | 额定线圈功耗 |
| 12V DC | ≤9V DC | ≥1V DC | 16V DC | 0.5A | 6W |
| 24V DC | ≤18V DC | ≥2V DC | 32V DC | 0.25A | 6W |
产品型号释义

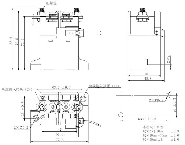
外形尺寸图、接线图



注:
1、产品主触头按接线柱旁边标示“1+”的连接负载“+”端,接线柱旁边的标示“2-”的连接负载 “-”端
参考曲线图

注:以上数据在环境温度为 85℃,导线截面积≥50mm²条件下测得。数据仅作参考,请勿直接用于选择熔断器

注:以上数据为随机抽取线圈电压为 12VDC 产品测得,数据仅供参考(试验品数量:n=3)
注意事项
1、本接触器为直流高压开闭装置,在最终故障状态下,有可能出现不通断的情况,一旦发生不能 切断,可能导致异常发热现象及烟雾,火灾等事故。因此,请避免规格以上的操作使用(包括但 不限于线圈额定,负载额定以及电气寿命等);应采用在紧急情况下可及时切断电流负载的电路; 为确保安全,应定期更换部件。
2、本接触器负载连接端及线圈连接端有极性区别,请务必按照产品表面的标识正确安装使用, 将端子连接到相反方向时,本规格书中承诺的电气特性将不能获得保障。
3、触点额定值均为阻性负载时的数值。使用L/R≥1ms的感性负载(L负载)的情况下,请与感 性负载并行采取浪涌吸收措施。未采取措施的情况下,可能会造成电气寿命下降、发生切断不良。
4、为抑制接触器线圈的反向电动势,建议加装吸收浪涌的非线性电阻(推荐使用可变电阻),若 使用二极管,会使接触器切断性能下降。
5、严禁将接触器长时间置于超过产品使用温度范围(-40℃~+85℃)的环境中。
6、请避免在强磁界(变压器、磁铁的周围)和发热物体的附近安装。
7、为防止出现松动,接触器安装时请正确使用垫圈。接触器安装处请使用M5螺钉,螺钉锁紧扭 矩请控制在3N.m~4N.m;负载端的M6安装螺母锁紧扭矩请控制在6N.m~8N.m。在扭矩超过范围的 情况下,产品可能遭到破损。
8、请避免在引出端上粘附油脂等异物,请使用50mm²以上规格的连接导线,否则有可能会造成 引出端部分的异常发热。
9、对连接器端进行连接时,请使用指定配合的连接器。
10、在接触器坠落的情况下,原则上请不要再使用。
汉语
英语
西班牙语
俄语
法语
阿拉伯语
电子邮箱
PDF 下载