直流接触器ZLJ(M)-A常开系列 ZLJM-1000A
■ 性能参数

■ 线圈参数

■ 产品型号释义

例:ZLJM-1000A/48.S;表示:常开接触器,DC-1 负载下额定电流为1000A,线圈电压DC48V ,带辅助回路微动开关。
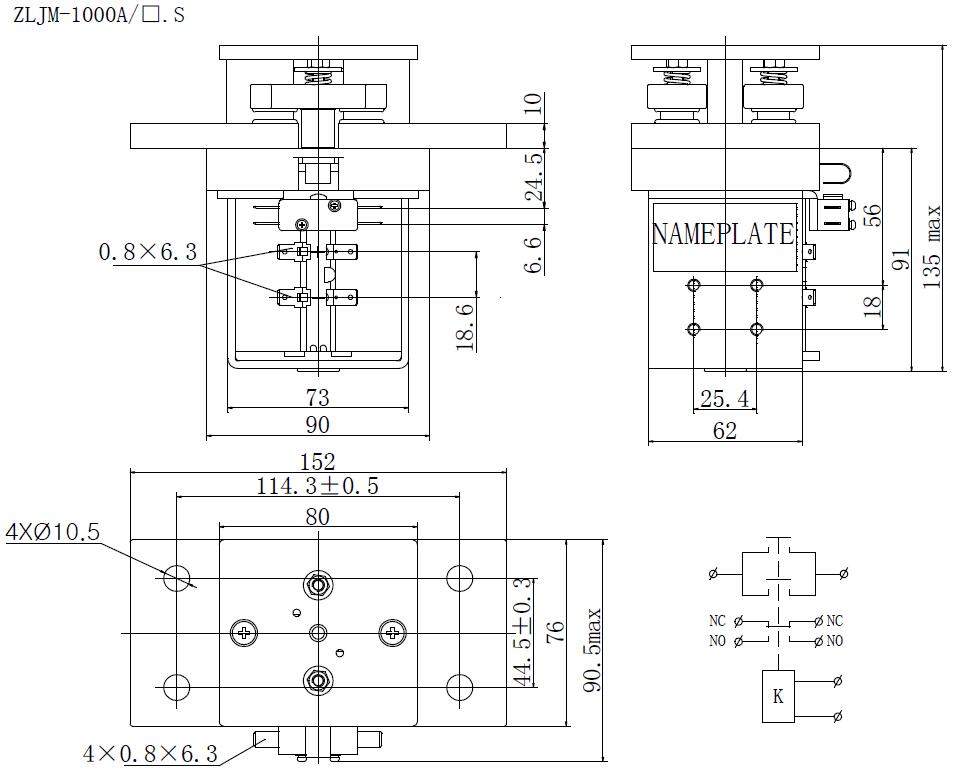
■ 外形安装尺寸及电路原理图

| 尺寸(mm) | 未注尺寸公差(mm) |
| 0~30 | ±0.3 |
| 30~60 | ±0.5 |
| 60~100 | ±1 |
| 大于100 | ±2 |
注: 1. 主回路接线铜排电镀银;
2. 微动开关接线片默认电镀银。
■ 注意事项
1. 产品线圈的驱动电路功率必须大于 等于 产品线圈功率,否则会降低的切断能力。
2. 对线圈连续施加的电压不能超过最大容许电压。否则,异常发热会缩短绝缘图层寿命
3. 本接触器非防水结构, 请勿在水、溶剂和油可能接触到外壳或端子的环境中使用 。否则可能因外壳老化或端子腐蚀、污浊而引起异常发热。
汉语
英语
西班牙语
俄语
法语
阿拉伯语
电子邮箱
PDF 下载