■接触器参数
|
型号 |
ZLJM-200C/ □ A3 |
|
触点形式 |
双稳态磁保持 |
|
触点负载 (阻性负载) |
200A×60VDC (DC-1) |
|
接触压降 |
Max.80mV @200A |
|
绝缘电阻 |
Min. 100MΩ at 500VDC |
|
介质耐压(相互绝缘的导电部份) |
1000VAC 50 Hz/60 Hz (1 minute)漏电流小于1mA |
|
吸合时间 |
最大30mSec. |
|
释放时间 |
最大30mSec. |
|
脉冲宽度 |
0.5S~1S |
|
污染等级 |
III |
|
安装方式 |
任意 |
|
工作制式 |
连续工作制 |
■线圈参数
|
型号 |
线圈电压(V) |
线圈工作电压(V) |
吸合电压(V) |
释放电压(V) |
启动电流(A) |
线圈功率(W) |
|
ZLJM-200C/A3 |
12 |
0.8Us~1.2Us |
≤70% |
20%~80% |
≤1.2 |
11 |
|
24 |
≤0.7 |
|||||
|
48 |
≤0.65 |
|||||
|
60 |
≤0.65 |
■产品型号释义

例:ZLJM-200C/48.S;表示:磁保持直流接触器,DC-1负载下额定电流为200A,线圈电压DC48V ,带辅助回路微动开关。
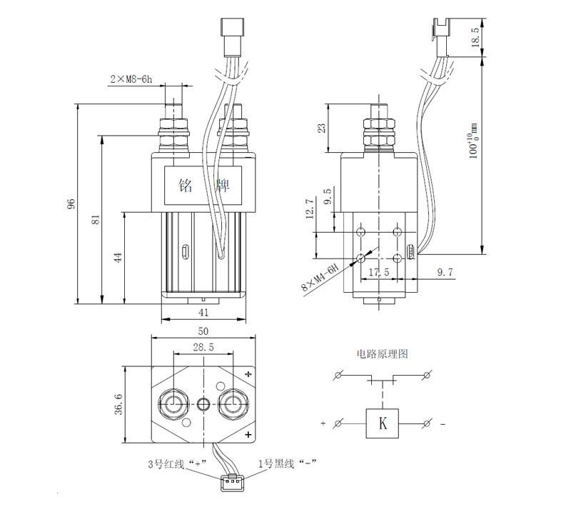
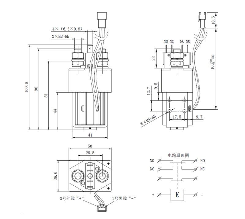
■外形安装尺寸及电路原理图
1.ZLJM-200C/□ A3

2.ZLJM-200C/□.SA3

|
尺寸(mm) |
未注尺寸公差(mm) |
|
0~30 |
±0.3 |
|
30~60 |
±0.5 |
|
60~100 |
±1 |
|
大于100 |
±2 |
注:1. 产品线圈采取正、负脉冲激励,激励时间500ms≤t≤1s。线圈不能持续长期通电,操作频率不得超过每分钟6次,并且脉冲应是方波。正脉冲(“+”接电源正,“-”接电源负)使触点闭合,负脉冲(“+”接电源负,“-”接电源正)使触点断开。线圈去激励后,接触器触点状态由产品内的永磁性磁钢保持。
汉语
英语
西班牙语
俄语
法语
阿拉伯语
电子邮箱
PDF 下载