直流接触器ZLJM-D常开系列 ZLJM-100D
■ 性能参数
| 型号 | ZLJM-100D/□ | ZLJM-100D/B□ |
| 触点形式 | 1H (SPST-NO) | |
| 触点材料 | 银合金 | |
| 触点负载 (阻性负载) | 100A×60V DC | 100A×120V DC |
| 接触压降 | ≤80mV@100A | |
| 绝缘电阻 | Min. 100MΩ at 500VDC | |
| 介质耐压(相互绝缘的导电部份) | 1000VAC 50 Hz/60 Hz (1 minute) 漏电流小于 1mA | |
| 吸合时间 | Max. 30mSec. | |
| 释放时间 | Max. 30mSec. | |
| 使用环境温度 | -25℃~+60℃ | |
| 存储温度 | -40℃~+65℃ | |
| 相对湿度 | 20%~90% RH | |
| 固定处的振动 | (10~200)Hz、加速度≤3.5g | |
| 冲击 | (60~100)次/分、加速度≤4g | |
| 机械寿命 | 100,000 次 (不带载) | |
| 电气寿命 | 6,000 次 (在额定功率下) | |
| 微动开关 | 5A /24V DC; 2A/ 48VDC | |
| 辅助触点最小负载 | 100mA/5V | |
| 污染等级 | III | |
■ 线圈参数
| 型号 | 线圈电压 (V) | 线圈工作电压(V) | 吸合电压(V) | 释放电压(V) | 启动电流(A) | 线圈功率(W) |
| ZLJM-100D | 12 | 0.85US~1.1US | ≤70% | ≥10% | ≤0.6 | 5~9 |
| 24 | ≤0.25 | |||||
| 30 | ≤0.23 | |||||
| 36 | ≤0.2 | |||||
| 48 | ≤0.15 | |||||
| 60 | ≤0.13 | |||||
| 72 | ≤0.12 | |||||
| 80 | ≤0.09 | |||||
| 96 | ≤0.08 | |||||
| 120 | ≤0.07 |
■ 产品型号释义

例:ZLJM-100D/48.S 表示:一组常开直流接触器,DC-1 负载下额定电流为 100A,线圈电压 DC48V , 带辅助回路微动开关。
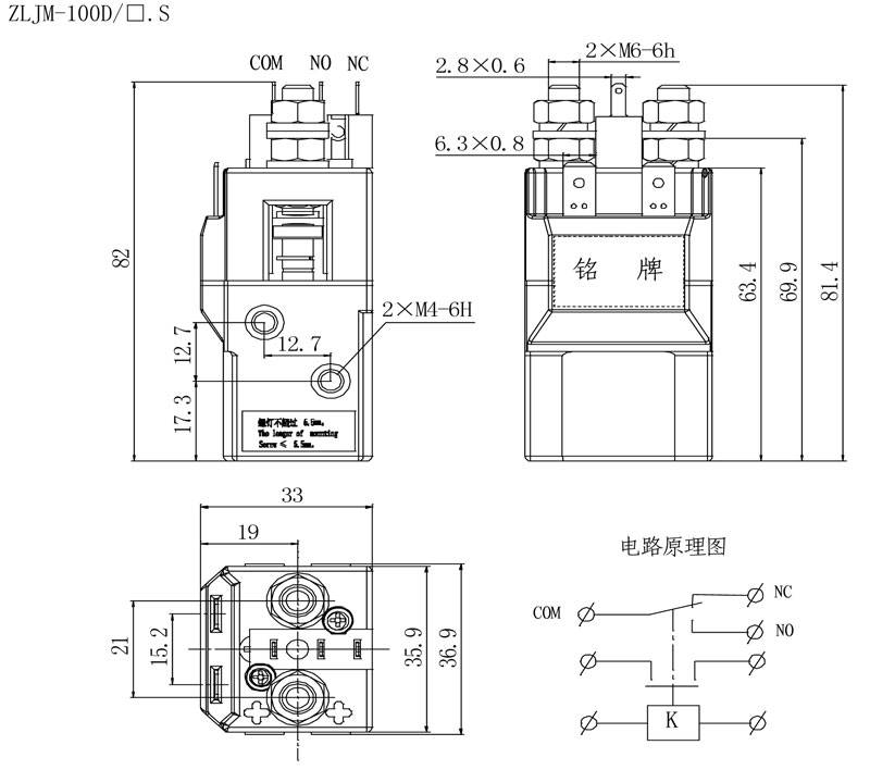
■ 外形安装尺寸及电路原理图


| 尺寸(mm) | 未注尺寸公差(mm) |
| 0~30 | ±0.3 |
| 30~60 | ±0.5 |
| 60~100 | ±1 |
■ 注意事项
1. 安装接触器时主回路接线螺钉螺母拧紧扭矩 4~5N.m。
2. 产品线圈的驱动电路功率必须大于等于产品线圈功率,否则会降低产品的切断能力。
3. 对线圈连续施加的电压不能超过最大容许电压。否则,线圈异常发热会缩短绝缘图层的寿命。
4. 本接触器非防水结构,请勿在水、溶剂、和油可能接触到外壳或端子的环境中使用。否则可能因 外壳老化或端子腐蚀、污浊而引起异常发热。
汉语
英语
西班牙语
俄语
法语
阿拉伯语
电子邮箱
PDF 下载