■接触器参数
|
型号 |
DYZ1-63C/B60.S |
|
触点形式 |
双稳态磁保持 |
|
触点负载 (阻性负载) |
63A×80V DC |
|
接触压降 |
≤40mV@63A |
|
绝缘电阻 |
Min. 100MΩ at 500VDC |
|
介质耐压(相互绝缘的导电部份) |
1500VAC 50 HZ/60 HZ (1 minute) 漏电流小于1mA |
|
固定处的振动 |
(10~200)HZ、加速度≤3.5g |
|
冲击 |
(60~100)次/分、加速度≤4g |
|
雷击 |
8/20us 10/20KA雷击测试±各5次 |
|
污染等级 |
III |
|
工作制式 |
连续工作制 |
■线圈参数
|
型号 |
线圈电压(V) |
线圈工作电压(V) |
吸合电压(V) |
释放电压(V) |
启动电流(A) |
线圈功率(W) |
|
DYZ1-63C |
60 |
36~72 |
≤42 |
≤42 |
≤0.4 |
≤24 |
|
48 |
28.8~57.6 |
≤33.6 |
≤33.6 |
≤0.5 |
||
|
24 |
14.4~28.8 |
≤16.8 |
≤16.8 |
≤1 |
||
|
12 |
7.2~14.4 |
≤8.4 |
≤8.4 |
≤2 |
■订货标记示例

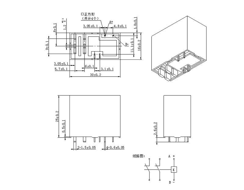
■外形安装尺寸图及电路图
DYZ1-63C/□.S

|
尺寸(mm) |
未注尺寸公差(mm) |
|
0~30 |
±0.3 |
|
30~60 |
±0.5 |
|
60~100 |
±1 |
|
大于100 |
±2 |
注:1.主回路接线铜排电镀银;
2.辅助触点接线片默认电镀银;
3.产品线圈采取正、负脉冲激励,激励时间50ms≤t≤200s。线圈不能持续长期通电,操作频率不得超过每分钟6次,并且脉冲应是方波。正脉冲(“+”接电源正,“-”接电源负)使触点闭合,负脉冲(“+”接电源负,“-”接电源正)使触点断开。线圈去激励后,接触器触点状态由产 品内的永磁性磁钢保持。
注意事项
- 产品线圈的驱动电路功率必须大于等于产品线圈功率,否则会降低产品的切断能力。
- 对线圈连续施加的电压不能超过最大容许电压。否则,线圈异常发热会缩短绝缘层的寿命。
- 本接触器非防水结构,请勿在水、溶剂、和油可能接触到外壳或端子的环境中使用。否则可能因外壳老化或端子腐蚀、污浊而引起异常发热。
- 产品周围避免有大于200mt的磁场,强磁场会影响产品正常动作。
汉语
英语
西班牙语
俄语
法语
阿拉伯语
电子邮箱
PDF 下载