板载式接触器DYZ1系列 DYZ1-80D
■ 性能参数

■ 线圈参数
| 型号 | 线圈电压 (V) | 线圈工作电压 (V) | 吸合电压 (V) | 释放电压 (V) | 保持电流 (A) | 线圈功率 (W) |
| DYZ1-80 | 12 | 0.85Us~1.1Us | ≤70% | ≥10% | ≤0.45 | 4~7 |
| 24 | ≤0.25 | |||||
| 30 | ≤0.20 | |||||
| 36 | ≤0.15 | |||||
| 48 | ≤0.10 | |||||
| 60 | ≤0.10 | |||||
| 72 | ≤0.09 | |||||
| 96 | ≤0.05 | |||||
| 120 | ≤0.05 |
■ 产品型号释义

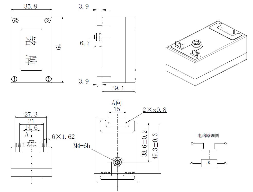
■ 外形安装尺寸及电路原理图

| 尺寸(mm) | 未注尺寸公差(mm) |
| 0~30 | ±0.3 |
| 30~60 | ±0.5 |
| 60~100 | ±1 |
| 大于100 | ±2 |
■ 注意事项
1. 产品线圈的驱动电路功率必须大于等于产品线圈功率,否则会降低的切断能力。
2. 对线圈连续施加的电压不能超过最大容许。否则,异常发热会缩短绝缘图层寿命
3. 本接触器非防水结构,请勿在水、溶剂和油可能接触到外壳或端子的环境中使用 。否则可能因外壳老化或端子腐蚀,污浊而引起发热异常。
汉语
英语
西班牙语
俄语
法语
阿拉伯语
电子邮箱
PDF 下载