■ 性能参数
| 型号 | ZLJM-3000C/□.S |
| 触点形式 | 双稳态 |
| 触点材料 | 银铜合金 |
| 触点负载 (阻性负载) | 3000A×60V DC |
| 接触压降 | ≤100mV@3000A |
| 绝缘电阻 | Min. 100MΩ at 500VDC |
| 介质耐压(相互绝缘的导电部份) | 2500VAC 50 HZ/60 HZ (1 minute) 漏电流小于1mA |
| 吸合时间 | Max. 30mSec. |
| 释放时间 | Max. 30mSec. |
| 脉冲宽度 | 0.5S~1S |
| 存储温度 | -40℃~+65℃ |
| 使用环境温度 | -25℃~+60℃ |
| 相对湿度 | 20%~90% RH |
| 固定处的振动 | (10~200)HZ、加速度≤3.5g |
| 冲击 | (60~100)次/分、加速度≤4g |
| 机械寿命 | 100,00 次 (不带载) |
| 电气寿命 | 1,000 次 (在额定功率下) |
| 微动开关 | 5A /24V DC; 2A/ 48VDC |
| 污染等级 | III |
| 工作制式 | 连续工作制 |
| 线圈浪涌抑制器 | 压敏电阻 |
■ 线圈参数
| 型号 | 线圈电压(V) | 线圈工作电压(V) | 吸合电压(V) | 释放电压(V) | 启动电流(A) | 线圈功率(W) |
| ZLJM-3000C | 12 | 0.85US~1.1US | 20%~80% | 20%~80% | ≤5 | 60~65 W |
| 24 | ≤2.5 | |||||
| 48 | ≤1.3 | |||||
| 60 | ≤1 | |||||
| 96 | ≤0.7 | |||||
| 120 | ≤0.5 |
■ 产品型号释义

例: ZLJM -300 0C/48 .S ;表示: 磁保持 接触器, DC -1负载下额定电流为 3000A ,线圈电压 DC48V ,带 辅助回路微动开关。
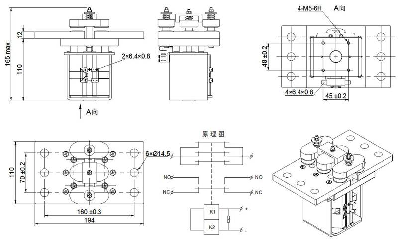
■ 外形安装尺寸及电路原理图
ZLJM -3000C /□.S

| 尺寸(mm) | 未注尺寸公差(mm) |
| 0~30 | ±0.3 |
| 30~60 | ±0.5 |
| 60~100 | ±1 |
| 大于100 | ±2 |
汉语
英语
西班牙语
俄语
法语
阿拉伯语
电子邮箱
PDF 下载