■接触器参数
|
型号 |
ZLJM-1500C/□.SA2 |
|
触点形式 |
双稳态 |
|
触点材料 |
银合金 |
|
触点负载 (阻性负载) |
1500A×60V DC(DC-1) |
|
接触压降 |
≤80mV@1500A |
|
绝缘电阻 |
Min. 100MΩ at 500VDC |
|
介质耐压(相互绝缘的导电部份) |
1500VAC 50 HZ/60 HZ (1 minute) 漏电流小于1mA |
|
吸合时间 |
最大. 50mSec. |
|
释放时间 |
最大. 50mSec. |
|
脉冲宽度 |
0.5S~1S |
|
机械寿命 |
20,000 次 (不带载) |
|
电气寿命 |
6,000 次 (在额定功率下) |
|
微动开关 |
5A /24V DC; 2A/ 48VDC |
|
工作制式 |
连续工作制 |
|
线圈浪涌抑制器 |
压敏电阻 |
■线圈参数
|
型号 |
线圈电压(V) |
线圈工作电压(V) |
吸合电压(V) |
释放电压(V) |
启动电流(A) |
线圈功率(W) |
|
ZLJM-1500C |
12 |
0.85US~1.1US |
20%~80% |
20%~80% |
≤6 |
50~70 |
|
24 |
≤3 |
|||||
|
48 |
≤1.5 |
|||||
|
60 |
≤1.5 |
订货标记示例

例:ZLJM-1500A/48.SA2;表示:常开接触器,DC-1负载下额定电流为1500A,线圈电压DC48V ,带辅助回路微动开关。
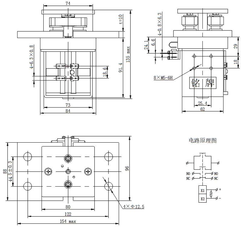
■外形安装尺寸及电路原理图
ZLJM-1500C/□.SA2

|
尺寸(mm) |
未注尺寸公差(mm) |
|
0~30 |
±0.3 |
|
31~60 |
±0.5 |
|
61~100 |
±1 |
|
大于100 |
±2 |
注:1.主回路接线铜排电镀银;
2.微动开关接线片默认电镀银;
3.产品线圈采取正、负脉冲激励,激励时间500ms≤t≤1s。线圈不能持续长期通电,操作频率不得超过每分钟6次,并且脉冲应是方波。正脉冲(“+”接电源正,“-”接电源负)使触点闭合,负脉冲(“+”接电源负,“-”接电源正)使触点断开。线圈去激励后,接触器触点状态由产 品内的永磁性磁钢保持。
汉语
英语
西班牙语
俄语
法语
阿拉伯语
电子邮箱
PDF 下载