直流接触器ZLJM-C磁保持系列 ZLJM-1000C
■ 性能参数

■ 线圈参数

■ 产品型号释义

例:ZLJM-1000A/48.S;表示:常开接触器,DC-1 负载下额定电流为1000A,线圈电压DC48V ,带辅
助回路微动开关。
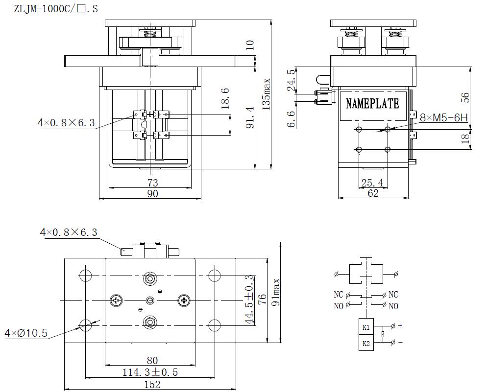
■ 外形安装尺寸及电路原理图

| 尺寸(mm) | 未注尺寸公差(mm) |
| 0~30 | ±0.3 |
| 30~60 | ±0.5 |
| 60~100 | ±1 |
| 大于100 | ±2 |
注: 1. 主回路接线铜排电镀银;;
2. 微动开关接线片默认电镀银;
3. 产品线圈采取正、负脉冲激励,激励500ms≤t≤1s 。线圈不能持续长期通电,操作频率得超过每分钟6次,并且脉冲应是方波。正脉冲(“+”接电源正,“-”接电源负)使触点断开。线圈去激励后,器状态由产 接电源正)使触点断开。线圈去激励后,接触器触点状态由产品内的永磁性磁钢保持。
■ 注意事项
1. 产品线圈的驱动电路功率必须大于等于产品线圈功率,否则会降低产品的切断能力。
2. 对线圈连续施加的电压不能超过最大容许电压。否则,异常发热会缩短绝缘图层寿命
3. 本接触器非防水结构, 请勿在水、溶剂和油可能接触到外壳或端子的环境中使用 。否则可能外壳老化或端子腐蚀,污浊而引起异常发热。
汉语
英语
西班牙语
俄语
法语
阿拉伯语
电子邮箱
PDF 下载